
«8 лет я играл в Спектрум в черно-белом цвете и все знаете почему, да потому что наши доблестные телики RGB сигнал вообще не понимали». Хотел бы сказать я, понастольгировать, вспомнить что раньше солнце было ярче а трава зеленее. Но не скажу, в моем детстве слово Спектрум вообще никто никогда не произносил.
Все свое детство я играл в денди, позже в сегу, у друзей иногда в супернинтендо. Ни в передаче Денди «Новая Реальность», ни в «От винта», ни в каком либо журнале я не слышал об этом компьютере. Я краем уха слышал о компьютерах, загружающихся с кассет, но никогда их не видел и не знал их названия. Впервые я о нем узнал только когда у меня появился интернет. Почитывал форумы, завидовал тем людям которые в конце 80х начале 90х собирали сами свои компьютеры, а я годноту пропустил. Хотя в те годы я был маленький и при всем желании свой клон спектрума бы не собрал. Много ли я потерял? Вот этот вопрос я не так давно себе стал задавать. Год назад наткнулся на очень хороший видосик где один парень очень подробно рассказал и показал как спаять клон спектрума «Ленинград». Его я пересматривал не раз и в итоге решил «Я соберу свой компьютер с нуля!».
За основу решил взять оригинальную схему Ленинграда с sblive.narod.ru. Ну и добавить кучу доработок, таких как корректировка прорисовки окружности(непонятно как Зонов смог спроектировать компьютер с таким лютым косяком.Выражается в проблемах шрифтов, косяках графики итп), стабилизации кварцевого генератора, стабилизации кадровой и строчной синхронизации, доработка сигнала INT, введение привязки к уровню черного.

Чтобы этот процесс был еще круче и интереснее я не стал искать готовую плату, заказал себе макетку довольно компактных размеров 12*18. Так же пришлось заказать микросхем и другой мелочевки с алиэкспресса и ЧИПиДИПа. Память и процессор пришлось выпаять из неработающего клона, который я недавно получил от одного спектрумиста. Что это за клон до сих пор не знаю, схемы на него нет, и я просто его выпаял из него микросхемы.
Все микросхемы решил поставить на панельки для быстрой замены если что то пойдет не так. Но ведь Спектрум содержит ПЗУ, а его еще надо прошить, программатора у меня не было, но мир не без добрых людей. Вместо двух EPROM решил поставить одну EEPROM W27C512, в который зашил 48к бейсик, 128к бейсик, ТР-ДОС и тест памяти для 48к, также неплохо иметь возможность переключать банки памяти перемычками. Но вот все мои детали пришли, заранее продумав где какая панелька будет стоять, начал их припаивать. Ну и прилепил наклейки на плату с надписями где какая микросхема и номера ножек, что очень облегчило мне жизнь в дальнейшем.

Уделяя пару-тройку часиков в день за две с половиной недели все таки собрал. Не терпелось сразу его подключить. И после включения я увидел белый экран, что же уже неплохо подумал я. После перепроверки всей платы, убрав пару косяков ситуация лучше не стала. Я долго не мог понять в чем дело но потом узнал что не стоит мешать КМОП и ТТЛ микросхемы. Да, я тот еще радиолюбитель. Пришлось опять заказывать детали и ждать. После замены всех КМОП микросхем на ТТЛ все таки появилась заветная надпись, но изображение плыло.
Обращение на форум zx-pk.ru дало отчасти понять что происходит, но решения у меня не было. В итоге пришлось часами сидеть над схемой. И вуаля, я просто неправильно понял схему доработки формирования сигнала INT, точнее я сначала правильно ее понял, а потом подумал что неправильно и сделал с косяком. Что же, еще одна проблема устранена. Но не все так радужно как хотелось бы, на моем мультимедийном мониторе постоянно бежали кадры. И тут я решился подключить с старому доброму телевизору SHARP, который меня никогда не подводил. Но правда в ч\б, так как RGB-скарта в нем нет. И картинка на нем почти не дергалась. Опять обращение на форум дало дельный совет, сделать фильтр для импульсного блока питания.
И вот наконец то картинка нормальная, никаких подергиваний, запускаем тест памяти.
Но ведь для спектрума нужна еще и клавиатура. Тут я выкрутился довольно оригинально, взял старую клавиатуру, вытащил из нее пленку с контактами, порезал гетинакс на кусочки, напаял на него контакты, обработал их напильником и приклеил термоклеем к клаве, ну и спаял их по схеме. Получилась довольно громоздкая внешняя клава. Ну и порты для синклер джойстиков прямо в клавиатуру встроил. Подходят джойстики от сега мастер систем или атари, ну или как в моем случае перепаяный внутри сеговский джойстик, для которого я вывел клавишу пробел(а именно она почти всегда используется как дополнительная ) на кнопку А, ну и при нажатии кнопки С дублируется нажатие вверх, что удобно в платформерах. 

С динамиком у меня как то не задалось и я просто вывел бипер на телевизор, так хотя бы громкость можно регулировать. Написав простенькую мелодию в бейсике, потестировав звук решил загрузить какую нибудь игру. И… ничего у меня не получилось. Магнитофонную читалку собирал на К554СА3, перепробовал несколько микросхем, перепроверял всю схему но не завелось, почему, до сих пор не понятно. Пересобрал читалку на 561ЛН2 по схеме от пентагон-48(сначала на макетке перед тем как паять) и все заработало с первого раза. Игры хоть и загружались но большинство висло сразу же, в некоторые вроде DIZZY 5 удавалось немного поиграть.
Один раз как то проснувшись утром я призадумался, а правильные ли я впаял конденсаторы… и ОМГ, вместо 47 нанофарад я впаял 47 пикофарад, а еще хотел чтоб что то работало. Еще раз заказываем недостающие детали, ждем. После глобальной перепайки конденсаторов наконец то можно нормально поиграть, больше ничего не виснет. Приходилось себя успокаивать, что все равно большинство игр на спектруме монохромные и я не так уж много теряю, что в в конце 80х далеко не у всех были цветные телики и многие играли в него с ч\б картинкой. Но как то не шибко помогало, знаете ли.
А на моем LCD мониторе кадры все равно бегали. В итоге я все таки решился впаять дополнительную микросхему для укорочения строчного синхроимпульса, которую я хотел поставить еще в начале сборки но почему то решил сэкономить. В итоге наконец то получил хорошую цветную картинку. 
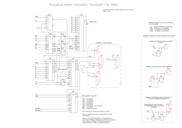
Изображение правда немного двоит. Проверил на LCD телевизоре, двоения не видно. Картинка отличная. Супер! Но на моей плате еще есть свободное место и глупо было бы его не использовать. Сделать расширение памяти до 128к и поиграть в кастлванию 2015 года было бы здорово. Для этого поменяем наши К565РУ5 на К565РУ7 или аналог MN41256-08, который без проблем можно купить на алиэкспресс. Добавив еще 7 микросхем, включая звуковой чип YM2149F плату заполнил полностью. Проблем никаких с апгрейдом памяти не возникло. Расширял память до 256к по этой схеме, но все же использую ее в режиме 128к.
В итоге получилось вот это


Изначально юзать плату на столе я не собирался и для этого подобрал корпус от старой ТВ-приставки, теоретически туда можно поставить и дополнительную плату контроллера дисковода вторым этажом, но я пока не хочу этим заморачиваться.


Игры на спекки оказались лютым хардкором, мне удалось пройти только недавно вышедший Mighty Final Fight. 
Так много ли я потерял из за отсутствия этого компьютера в детстве? В плане игр вряд ли, хотя возможность переписывать игры с кассеты на кассету могла бы мне очень прийтись по душе. В плане программирования на бейсике, вряд ли бы в то время меня это заинтересовало.
ZX Spectrum 128k своими руками
Понравилась статья? Подпишитесь на канал, чтобы быть в курсе самых интересных материалов
Подписаться
Свежие комментарии